HƯỚNG DẪN LẮP ĐẶT BỘ DÒ VÒNG TỪ (LOOP TỪ) PD-132
03/04/2026
Bộ dò vòng từ hay còn gọi là bộ loop từ PD-132 được ưa chuộng sử dụng tại Việt Nam vì độ bền và giá thành của loop từ rất rẻ so với chất lượng.
Bộ dò vòng từ PD-132 là bộ cảm biến từ dùng để phát hiện xe cộ, vật cản bằng kim loại để hỗ trợ thanh barrier không đóng lại.
Hướng dẫn lắp đặt bộ dò vòng từ PD-132
1. Vị trí lắp đặt bộ loop từ PD-132
Bộ dò vòng từ được lắp đặt ở vị trí thuận tiện trong điều kiện thời tiết càng gần vòng từ càng tốt. Vị trí lắp đặt phải chọn cách xa nguồn nhiệt, xung quanh các thiết bị khác phải duy trì khoảng cách ít nhất 10mm (không được cố định bám vào tủ).
Cấu hình vòng lặp và cài đặt bộ dò đúng sẽ đảm bảo hệ thống phát hiện vật cản chính xác và nhanh chóng. Vòng từ có một số lưu ý: hình vòng từ, kích thước và số lượt, phương pháp cài đặt
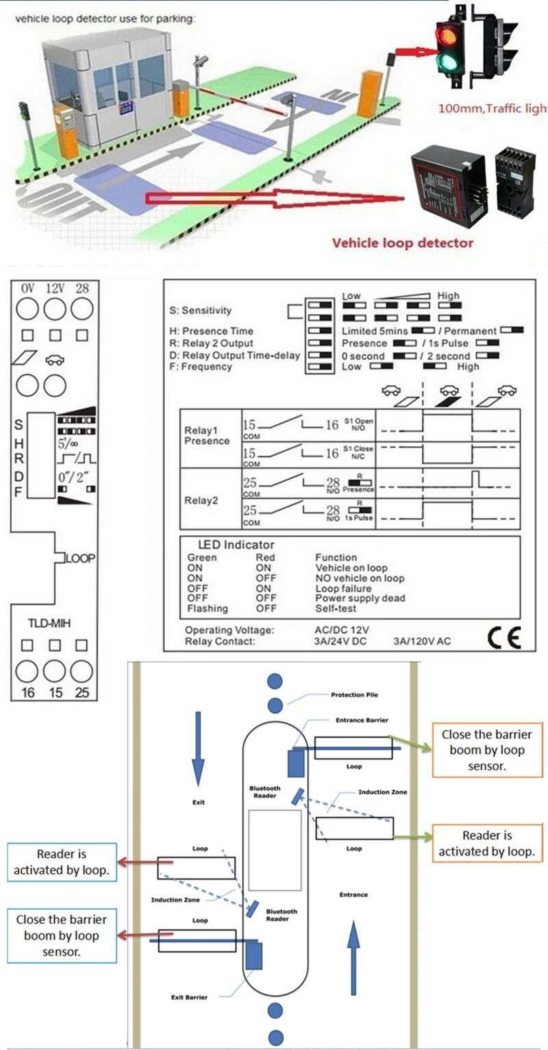
2. Thông số kỹ thuật và sơ đồ kết nối bộ dò vòng từ PD-132
| Nguồn điện | AC 220V |
| Dung sai điện áp AC | +10%/-15% |
| Điện áp chịu đựng DC | ±15% |
| Tiêu thụ điện năng | 4.5VA |
| Rơle đầu ra | 240V/5A |
| Nhiệt độ hoạt động | -20℃ ~ 65℃ |
| Nhiệt độ bảo quản | -40℃ ~ 85℃ |
| Dải tần số | 20 KHz ~ 170 KHz |
| Thời gian phản ứng | 10ms |
| Thời gian giữ tín hiệu | Không giới hạn / giới hạn khi vòng lặp được bảo hiểm vĩnh viễn trong 10 phút |
| Điều chỉnh độ nhạy | Có thể điều chỉnh trong 4 bước tăng |
| Vòng điện cảm | Tổng số vòng lặp cộng với dây kết nối: 50μH đến 1000μH. Lý tưởng là 100μH đến 300μH |
| Vòng kết nối dây | Chiều dài tối đa 20 mét, xoắn ít nhất 20 lần mỗi mét |
| Kích thước | L78 x W40 x H108mm |

Sơ đồ lắp đặt bộ dò vòng từ PD-132
3. Bộ dò vòng từ PD-132 hoạt động và điều chỉnh
Trong khi bộ dò vòng từ đang điều chỉnh, đèn LED Kênh màu xanh lục và đèn LED Nguồn màu đỏ sẽ được bật. Nó vẫn còn khoảng 2 giây, sau đó đèn LED màu xanh lá cây tắt.
Nếu có lỗi vòng lặp, đèn LED Kênh sẽ sáng và nhấp nháy cho biết lỗi. Nếu lỗi tự phục hồi, máy dò sẽ tiếp tục hoạt động.
Đèn LED kênh màu xanh lá cây cũng sẽ phát sáng bất cứ khi nào phát hiện có xe đi qua vòng cảm ứng. Đèn LED Nguồn màu đỏ ở đầu thiết bị sẽ vẫn sáng để cho biết thiết bị đã được cấp nguồn.
4. Điều chỉnh tần số
Để loại bỏ nhiễu của hai vòng dây lân cận hoặc bộ dò vòng, tần số có thể được thay đổi.
5. Có 4 cấp độ độ nhạy
Độ nhạy của máy dò cho phép máy dò có thể chọn lọc theo sự thay đổi độ tự cảm cần thiết để tạo ra đầu ra. Có bốn lựa chọn độ nhạy và được thiết lập như sau bởi DIP3 và DIP4 Switch.

6. Tăng độ nhạy tự động
Tăng độ nhạy tự động được chọn bằng công tắc DIP5 ở mặt trước của vỏ và được thiết lập như sau: TẮT – Đã tắt, BẬT – Đã bật.
Tự động tăng độ nhạy khiến độ nhạy được tăng lên mức tối đa khi phát hiện trên xe và được duy trì ở mức này trong thời gian có xe chạy qua đường vòng. Khi nào xe rời khỏi vòng lặp và phát hiện bị mất, độ nhạy sẽ trở lại mức đã chọn trước.
7. Loại bỏ các vật cản gây nhiễu cho bộ dò vòng từ
Để loại bỏ sự can thiệp của môi trường xấu, chế độ bộ lọc được kích hoạt bằng cách đặt Công tắc DIP6 thành vị trí “BẬT”. Ở chế độ này, thời gian phản ứng của máy dò bị trễ và độ nhạy bị giảm. Thông thường, chế độ bộ lọc bị tắt bằng cách đặt Công tắc DIP6 thành trang “TẮT”.
【Chú ý】 Nếu máy dò không hoạt động bình thường, trước tiên bạn phải kiểm tra vòng lặp và hệ thống dây điện, sau đó thay đổi tần số hoặc độ nhạy. Cuối cùng, hãy thử đặt nó ở chế độ lọc.
8. Điều chỉnh rơ le đầu ra
Nếu DIP7 là vị trí “TẮT”, khi phát hiện có xe đi qua vòng điện cảm ứng, rơle1 và rơle2 được cấp điện; Khi phát hiện thấy xe đang rời khỏi vòng lặp, rơle1 và rơle2 sẽ bị ngắt điện. Nếu DIP7 là vị trí “BẬT”, khi phát hiện có xe đi qua vòng lặp, rơle2 được cấp điện; relay2 không được cung cấp năng lượng và trì hoãn 500 ms, relay1 được cung cấp năng lượng trong 500 ms.
9. Thời gian hoạt động của bộ dò vòng từ PD-132
Thời gian hiện diện có thể được đặt thành hiện diện thường xuyên hoặc hiện diện hạn chế. Ở chế độ hiện diện thường xuyên, máy dò sẽ liên tục bù đắp cho tất cả các thay đổi môi trường trong khi có phương tiện hiện diện trên đường vòng, chế độ hiện diện được đặt với Công tắc DIP8 và được cấu hình như sau: TẮT : Hiện diện có giới hạn (10 phút), BẬT : Hiện diện vĩnh viễn
10. Nút reset
Bộ loop từ PD-132 sẽ tự động điều chỉnh vòng dây cảm ứng được kết nối với nó khi có nguồn điện, cho dù khi lắp đặt ban đầu hay sau bất kỳ sự cố ngắt nguồn điện nào. Nếu cần thiết phải điều chỉnh lại đầu báo, như có thể được yêu cầu sau khi thay đổi bất kỳ công tắc nào hoặc sau khi di chuyển đầu báo từ cài đặt này sang cài đặt khác, hoạt động tạm thời của công tắc ĐẶT LẠI sẽ bắt đầu chu kỳ điều chỉnh tự động.
--------------------------------------------------------------------------------------------------------
1. Hướng dẫn cách đặt vòng từ cho phù hợp
Bộ dò vòng từ PD-132 mà công ty PTH VINA thường hay sử dụng trong hệ thống giữ xe thông minh.
Vòng từ thường được đặt dưới tay cần barie.
Bộ dò vòng từ PD-132 thường được đặt trong trụ barie.
Vậy cách đặt vòng từ dưới tay cần barrier có phải là cố định không?
Tất nhiên là không rồi. Tùy theo mô hình thiết kế mà việc đặt vòng từ sao cho hợp lý để phát huy tối đa chức năng.
Sau đây chúng tôi xin đưa ra vài ví dụ cụ thể:
+ Đối với cổng barrier một chiều cho làn xe máy
Kích thước vòng từ: dài x rộng = 0.8 x 0.4 m

Thi công vòng từ cảm biến
+ Đối với cổng barrier hai chiều cho làn xe máy: 1.2m
Kích thước vòng từ: dài x rộng = 0.8 x 0.5 m
+ Đối với cổng barrier sử dụng cho làn ô tô 1 chiều: đặt vòng từ dưới cánh tay 1/3 hướng vào của xe
Kích thước vòng từ: dài x rộng = 2.5 x 0.9 m
+ Đối với cổng barrier sử dụng cho làn ô tô 2 chiều: đặt vòng từ giữa cánh tay barrer
Kích thước vòng từ: dài x rộng = 2.5 x 1 m

Vòng từ cảm ứng ô tô
2. Hướng dẫn cài đặt bộ dò vòng từ PD-132 đúng kỹ thuật
Bộ dò vòng từ PD132 cụm 8 switch trên thân loop dùng để điều chỉnh độ nhạy, tần số và delay của loop.
- Dip 1 vs Dip 2 điều chỉnh tần số vòng từ
- Dip 3 vs 4 điều chỉnh độ nhạy vòng từ
- Dip 5 tự động tăng cương độ nhạy khi lên cấp độ cao, dip 5 sẽ luôn luôn tắt để đảm bảo độ nhạy tăng cường.
- Dip 6 tăng bộ lọc nhiễu từ xung quanh, bật Dip 6 tăng hệ số bộ lọc và bộ nhiễu, khi môi trường bình thường thì tắt Dip 6 để độ nhạy không bị giảm.
- Dip 7 cài đặt đầu xung khi xe ra vào vòng lặp.
- Dip 8 cài đặt giới hạn đầu ra cho xe. Khi Dip 8 off giới hạn sẽ mặc định là 5 phút khi xe ở trên vòng lặp quá 5 phút bộ dò sẽ tự động reset về trạng thái không xe. Khi Dip 8 giới hạn sẽ vĩnh viễn khi xe ở trên vòng lặp bộ dò vòng từ sẽ luôn hoạt động cho đến khi xe ra khỏi vòng lặp.
------------------------------------------------------------------
BỘ DÒ VÒNG TỪ PD-132
- Bộ dò vòng từ PD132 được sử dụng cho bất cứ nơi nào phương tiện phải được phát hiện, Giám sát và bảo vệ an toàn các cách truy cập hoặc để đếm xe.
- Tín hiệu đầu ra có thể được sử dụng để kiểm soát các cơ chế điều khiển cửa và cổng, rào cản vận hành, điều khiển hệ thống đèn giao thông hoặc kích hoạt bộ phân phối thẻ trong bãi đỗ xe.
- Sử dụng công nghệ vi xử lý tiên tiến và có thể làm việc trong nhiều môi trường khác nhau.
- Có rơle đầu ra hai chiều: một là đầu ra không giới hạn khi vòng lặp được bao phủ vĩnh viễn và trong khi chế độ kia là nhiều chế độ có thể được đặt bởi người dùng.
Thông số kỹ thuật:
- Dung sai điện áp: AC – +10% / -15%
DC – ±15%
- Cung cấp nguồn điện: 230V AC, 115V AC, 24 V DC / AC, DC DC / AC (Xem nhãn trên bộ dò vòng từ)
- Sự tiêu thụ điện: 4.5VA
- Rơle đầu ra: 240V/5A
- Môi trường làm việc: -20°C to +65°C
- Kích thước: 78x40x108 mm (L x W x H)
- Tần số hoạt động: 20 kHz to 170 kHz
- Cấp độ điều chỉnh: có 4 cấp độ điều chỉnh
- Kết nối vòng dây: Chiều dài tối đa 20 mét, xoắn ít nhất 20 lần mỗi mét

Kích thước bộ dò vòng từ PD-132

Tính năng của bộ dò vòng từ PD-132
Tính năng chính của bộ dò vòng từ PD-132:
- Độ chính xác của phép đo tốc độ và lưu lượng giao thông cao.
- Công việc ổn định là tốt.
- Nó không bị ảnh hưởng bởi những thay đổi trong môi trường khí tượng và giao thông.
- Kiểu dáng công nghiệp
- Mức độ nhạy cảm điều chỉnh.
- Hỗ trợ cổng đa đầu ra
- Chức năng tự phát hiện

Lắp đặt vòng từ cho xe ô tô

Cách lắp đặt vòng từ đúng

Kích thước cắt vòng từ
------------------------------------------------------------------------------------------------------------------------
Thiết Bị Vòng LOOP PD132 Cảm Biến Xe
Lắp Đặt Vòng LOOP PD132
Vòng loop PD132 phải được lắp đặt vị trí để tránh xa nguồn nhiệt, xung quanh PD132 và các thiết bị khác phải duy trì một khoảng cách ít nhất 10mm (mustn không sửa bám vào nội Các). Một sửa vòng cấu hình và máy dò cài đặt sẽ đảm bảo thành công quá trình điều khiển barrier tự động. Vòng lặp của một số tham số quan trọng bao gồm: vòng hình, kích thước, và biến, lắp đặt các phương pháp (chi tiết như “Vòng Hướng dẫn cài đặt”). Vòng loop thường được sử dụng nhiều trong hệ thống giữ xe thông minh.
Ưu điểm vòng cảm biến xe tăng độ an toàn khi xe qua barrier hoặc xe kẹt nằm giữ thanh chắn barreir sẽ không đóng xuống tránh việc hư hại người và xe. Khi người đi qua thanh barrier tự động sẽ không gây ra lênh đóng thanh chắn rất an toàn. Do được lắp đặt âm nên độ bền hệ thống vòng loop là rất cao. Việc sử dụng bộ vòng loop kém chất lượng sẽ gây ra hiện tượng barrier khong đóng mở được hoặc hoạt động đóng mở chậm chờn. Cần phải thay thế vòng loop tốt hơn.
Thông số kỹ thuật PD132
- điện áp hoạt động: 220 V AC± 10% (Vui Lòng để lại tin nhắn cho 12 v, 24,110 v)
- công suất Tiêu Thụ: < 5 Wát
- output: đầu Ra Rơle
- dải tần số: 20 kHz đến 170 kHz (4 lớp có thể điều chỉnh)
- thời gian phản ứng: 10 ms
- tín hiệu thời gian nắm giữ LOOP PD132: Không Giới Hạn/giới hạn 10 phút khi vòng lặp là vĩnh viễn bao phủ
- độ nhạy: 8 lớp (có thể điều chỉnh)
- vòng cảm: Lý Tưởng 100μ H đến 300μ H (bao gồm kết nối hệ thống dây điện)
- Max 50μ H đến 1000μ H (bao gồm kết nối hệ thống dây điện)
- vòng lặp Conn. hệ thống dây điện: Max. 100 m, xoắn ít nhất 20 lần mỗi mét, tổng số kháng < 10 Oh
- Autocorrecting thời gian: 1 s đến 2 s
- nhiệt độ hoạt động.:-30 đến + 70 Lưu Trữ
- Temp.:-40 đến + 85
- độ ẩm tương đối: ≤ 95%
- kích thước: 78 × 40 × 108mm (L × W × H) (bao gồm ổ cắm)
- Trọng Lượng tịnh: 300 gam (bao gồm ổ cắm)

VÒNG LOOP PD132
----------------------------------------------------------------------
XE VÒNG DÒ USER′S HƯỚNG DẪN
Lắp đặt Máy Dò
Máy dò phải được cài đặt trong một tiện lợi chống chịu thời tiết địa điểm gần với vòng lặp có thể. Vị trí lắp đặt phải lựa chọn để tránh xa nguồn nhiệt, nó xung quanh các thiết bị khác phải duy trì một khoảng cách ít nhất 10mm (mustn không sửa bám vào nội Các). MỘT sửa Vòng cấu hình và máy dò cài đặt sẽ đảm bảo thành công Quy Nạp vòng hệ thống phát hiện. Vòng lặp của một số tham số quan trọng bao gồm: vòng hình, kích thước, và biến, lắp đặt các phương pháp (chi tiết như “Vòng Hướng dẫn cài đặt”).
Kỹ thuật DataSupply Điện áp:
230V AC , 115V AC, 24V DC/AC, 12V DC/AC (Xem nhãn trên dò) Điện Áp chịu AC: + 10% / -15% Điện áp chịu DC: ± 15% Điện Năng Tiêu Thụ: 4.5VAOutput Rơ Le: 240V/5AOperating Nhiệt độ: -20 °C đến + 65 ° CStorage Nhiệt độ: -40 °C đến + 85 ° CFrequency phạm vi: 20 kHz tới 170 kHzReaction thời gian: 10msSignal giữ thời gian: Không giới hạn/Hạn chế khi vòng là vĩnh viễn phủ 10 minutesSensitivity: Có Thể Điều Chỉnh 4 incrementsLoop cảm: tổng Vòng Plus kết nối dây: 50μH để 1000μH. lý tưởng là 100μH đến 300 μHLoop kết nối dây: chiều dài Tối Đa 20 mét, XOẮN ít nhất 20 lần/meterSize của Nhà Ở: 78x40x108mm (L x W x H)
Sơ Đồ nối dây

Hoạt động và Chỉ Định
Trong khi các máy dò được điều chỉnh, xanh Kênh DẪN và đỏ LED Công Suất sẽ được bật. Nó vẫn còn khoảng 2 giây, sau đó ĐÈN LED màu xanh tắt. Nếu một vòng lặp lỗi tồn tại Kênh DẪN sẽ đến trên và đèn flash chỉ ra một lỗi. Nếu lỗi tự dò sẽ tiếp tục hoạt động. Xanh kênh DẪN cũng sẽ phát sáng mỗi khi một xe phát hiện ngang qua quy nạp vòng lặp. Hồng Công Suất ĐÈN LED ở đầu đơn vị sẽ vẫn ở trên để chỉ rằng Đơn vị này được trang bị.
Tần số
Để loại bỏ nhiễu của hai neighbouring dây vòng hoặc Vòng dò, tần số có thể bị thay đổi.
Độ nhạy
Độ nhạy của máy dò cho phép các máy dò để được chọn lọc như sự thay đổi của điện cảm cần thiết để sản xuất một đầu ra. Có 4 Độ nhạy bài chọn lọc và được thiết lập như sau bởi DIP3 và DIP4 Công Tắc.
Tự động độ nhạy tăng cường
Tự động độ nhạy tăng cường được lựa chọn bởi DIP5 công tắc trên mặt trước của vỏ và là setas sau: NGOÀI Bị Vô Hiệu Hóa, TRÊN Có Hỗ Trợ. tự động độ nhạy tăng cường gây ra độ nhạy được tăng cường tối đa trên detectionon xe, và duy trì ở mức này trong sự hiện diện của xe trên vòng lặp. Whenthe xe khởi hành vòng lặp và phát hiện là mất độ nhạy reverts để tiền chọn lọc nước.

Bộ lọc
Để loại bỏ nhiễu của môi trường xấu, các chế độ lọc được kích hoạt bằng cách thiết lập các DIP6 Chuyển Sang “TRÊN” trang web. Trong chế độ này, Thời gian phản ứng của máy dò được trì hoãn, và độ nhạy là giảm. Thông thường, các chế độ lọc bị vô hiệu hóa bằng cách thiết lập các DIP6 Chuyển Sang “OFF” trang web. 【Attention】 Nếu phát hiện chiếc đồng làm việc bình thường, bạn phải kiểm tra vòng lặp và dây nối lúc đầu, và sau đó làm thay đổi tần số hoặc độ nhạy. Cuối cùng, cố gắng để thiết lập nó để chế độ lọc.
Ngõ ra Relay
Nếu DIP7 là “OFF” trang, khi một xe phát hiện ngang qua quy nạp vòng lặp, các relay1 và relay2 được tràn đầy sức sống; Khi xe là phát hiện khởi hành vòng lặp, các relay1 và relay2 được de-energized.If DIP7 là “TRÊN” trang, khi một xe phát hiện ngang qua vòng lặp, Các relay2 là tràn đầy sức sống; Khi xe là phát hiện khởi hành vòng lặp, relay2 là de-năng lượng, và trì hoãn 500 ms, relay1 là tràn đầy sức sống cho 500 ms.
Sự hiện diện Thời Gian
Sự hiện diện thời gian có thể thiết lập sự hiện diện thường trực hoặc để hạn chế sự hiện diện. Trong sự hiện diện thường trực chế độ dò sẽ liên tục bù đắp cho tất cả môi trường thay đổi trong khi có một chiếc xe có mặt trên vòng lặp, sự hiện diện chế độ được đặt với DIP8 Công Tắc và isconfigured như sau: TẮT: hạn chế Sự Hiện Diện (10 phút), TRÊN: Sự Hiện Diện Thường Trực
Thiết lập lại Công Tắc
Máy Dò tự động giai điệu để Quy Nạp vòng kết nối với nó khi nguồn điện được áp dụng, dù cài đặt ban đầu hoặc sau khi nào phá vỡ trong nguồn điện. Nên nó là cần thiết để retune dò, như có thể được yêu cầu sau khi thay đổi bất kỳ công tắc hoặc sau khi di chuyển các máy dò từ một cài đặt khác, nhất thời hoạt động của công tắc RESET sẽ bắt đầu tự động điều chỉnh chu kỳ.

Tập hợp cụ thể bảng dưới đây. Trong phiên tòa xét xử chạy, đầu tiên độ nhạy trong dưới quầy hàng, kiểm tra thực tế xe phát hiện nếu không đáp ứng nên gia tăng độ nhạy để quầy hàng, vì vậy lặp đi lặp lại nhiều lần cho đến khi xe thu giữ ổn định cho bình thường
Công việc. Sơ Đồ Nối Dây:

Echnical DataSupply Điện áp:
230V AC , 115V AC, 24V DC/AC, 12V DC/ACVoltage chịu AC: + 10% / -15% Điện Áp chịu DC: ± 15% điện Năng Tiêu Thụ: ≥ 5VAOutput Rơ Le: 240V/5A ACFrequency phạm vi: 20 kHz tới 170 kHzReaction thời gian: 10msSignal giữ thời gian: không giới hạn/Hạn chế khi vòng là vĩnh viễn phủ 10 minutesSensitivity: Có thể điều chỉnh trong 8 incrementsWiring: 50μH và 300μH. Lý tưởng là 150 μHLoop kết nối dây: chiều dài Tối Đa 200 mét, XOẮN ít nhất 20 lần/meterAutocorrecting thời gian: 1to 2secondsOperating Nhiệt độ: -20 °C đến + 65 ° CStorage Nhiệt độ: -40 °C đến + 85 ° CDimensions (bao gồm bệ): 78x40x108mm (L x W x H)
Sử dụng và hoạt động
Điện năng xe Vòng sẽ tự động hiệu chỉnh. Nó sẽ cuối cùng 1 thứ hai, khi sửa, trên màn hình 2 ĐÈN LED hiển thị không để lại xe trên vòng khi chỉnh sửa. Nếu thành công, Màn hình “kiểm tra” LED TẮT., Màn hình “kiểm tra” LED bật và rơle sẽ hành động Khi xe thông qua. Nếu Thất Bại kiểm tra vòng lặp, ĐÈN LED nhấp nháy tại 1Hz.
Tần số điều chỉnh
Để tránh Nhiễu Xuyên Âm, vui lòng để lựa chọn tần số khác nhau và trình chiếu cáp. Có 4 lựa chọn tần số. Các có thể bị thay đổi bởi phương tiện DIP1, DIP2Switch.




